熱門關鍵詞: NTC溫度傳感器廠家 壓敏電阻器 功率型NTC熱敏電阻器
全國服務熱線

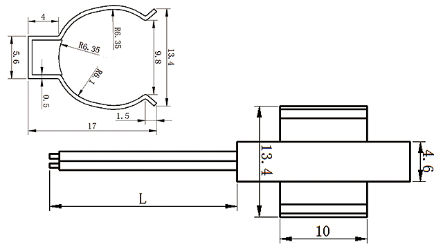
● 產品防潮、防水性好。
● 裝配方式簡單、牢固。
● 阻值、B值可依客戶需求制定。
● 五金件與線材可做定制。
| 25℃零功率阻值精度 | ±1% |
| B值精度 | ±1% |
| 端頭材質 | 磷過氧銅材質 |
| 線材規格 | PVC XLPE |
| 產品耐壓 | ≥1500V/AC |
|
使用溫度 |
-40~+80℃/+125℃ |